| Verfügbarkeitsstatus: | |
|---|---|
| Menge: | |
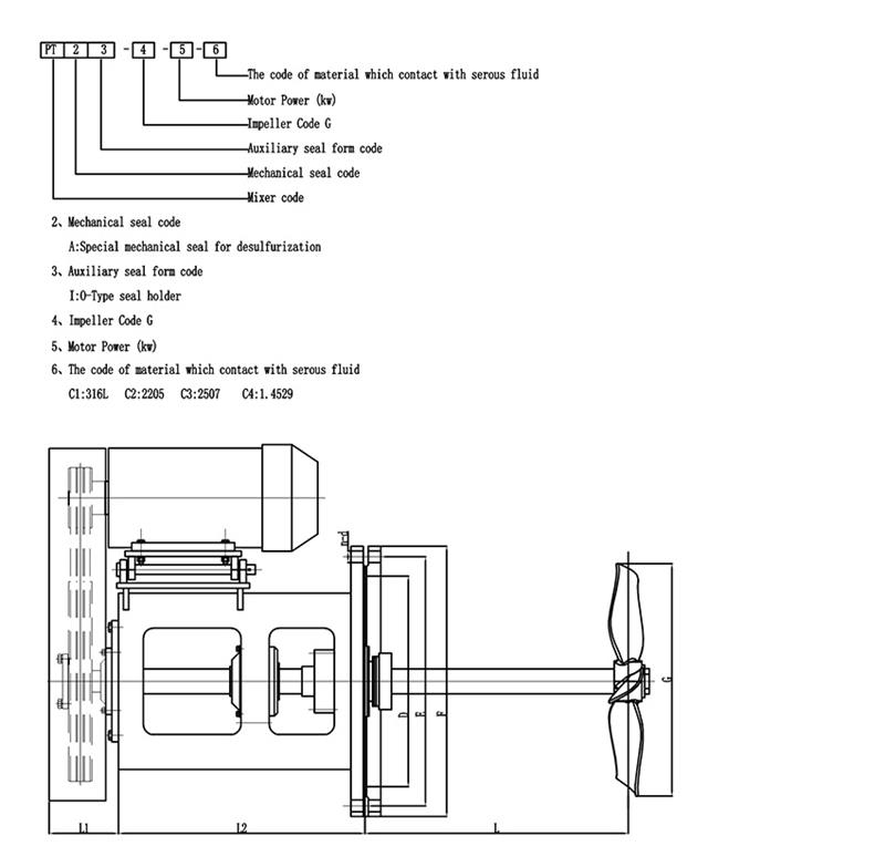
Side-Entry-Mischer für Rauchgasentschwefelung(REA)
Der Rührer als Teil einer Rauchgasentschwefelungsanlage (REA) spielt eine entscheidende Rolle für den Gesamtbetrieb der Anlage.REA-Anlagen dienen der Entfernung von Schwefeldioxid (SO2) aus Rauchgasen, die von Kraftwerken und Industrieprozessen emittiert werden.
Das Rührwerk besteht normalerweise aus einem Motor, einem Reduzierstück, einem Lager und einer Rührwelle und einem Laufrad usw., die sich an verschiedene Rauchgasentschwefelungssysteme und Betriebsbedingungen anpassen können.
Produktdetails
| Motormarke | Optional (ABS/SEW/SIEMENS/Inland hochwertig) |
| Reduziermarke | Optional (ABS/SEW/FALK/REXNORD/Inland hochwertig) |
| Motorleistung | 0,37 ~ 110 kW |
| Durchm.von Shaft | 30~500mm |
| Länge der Welle | 200~30000mm |
| Geschwindigkeit drehen | 0,2 ~ 600 U/min |
| Laufrad | Effizientes traditionelles Laufrad |
| Material | Kohlenstoffstahl, Nickelbasislegierung, Duplex- und Superduplex-Stähle, Titan und Titanlegierungen, Gummibeschichtungen, PO, PE, PP, PTFE |
Anwendung:
Rührwerke werden häufig bei der Rauchgasentschwefelung eingesetzt.Zum Beispiel,
1. Bei der nassen Rauchgasentschwefelung können Rührwerke dabei helfen, Entschwefelungsmittel und Rauchgas zu vermischen und so die Effizienz der Entschwefelung zu verbessern.
2. Bei der trockenen Rauchgasentschwefelung können Rührwerke dabei helfen, Entschwefelungsmittel zu mischen und zu dispergieren und so die Entschwefelungseffizienz zu verbessern.
3. Es kann Ingenieuren und Technikern dabei helfen, den Entschwefelungsprozess zu optimieren und zu automatisieren sowie die Effizienz und Ausbeute der Entschwefelung zu verbessern.
4. Es kann die Menge an Entschwefelungsmittel reduzieren, die Kosten der Entschwefelung senken und einen Beitrag zum Umweltschutz leisten.
Klicken Sie hier, um eine Anfrage zu senden!
Mischer können nach Ihren Wünschen angepasst werden!
Keheng-Rührwerke verwenden Vollständige Holzkistenverpackung, nach Messen, Wiegen, Verstärkungsschritte in der Fabrik, qualifiziert in das spezifische Hafenlager zur Inspektion, Schicht für Schicht.
Die Liefermethoden von Keheng im Ausland sind in der Regel CIF, CFR oder FOB, was die Lieferung der Waren innerhalb eines Monats bis eineinhalb Monaten nach Erhalt der Vorauszahlung durch den Kunden gewährleistet.
Außendienst
KEHENG verfügt über fast 30 Jahre Erfahrung.Unser Unternehmen kann Felddiagnosen und Reparaturen durchführen.Das technische Team stellt verschiedene Wartungsoptionen vor Ort zur Verfügung, um Sie bei Ihren Mischvorgängen zu unterstützen.
Installation: Nach Kundenvorgabe
Beratung und Reparatur vor Ort: KEHENG bietet Reparaturdiagnosedienste vor Ort an.Wenn das Problem nicht vor Ort gelöst werden kann, kann das Gerät an unsere Inspektions- und Reparaturabteilung zurückgeschickt werden.
Vorbeugende Wartung: Alle Maschinen müssen eine strenge Prüfung bestehen, bevor sie ausgemustert werden.KEHENG bietet Diagnose- und Benchmark-Tests an, um die Spitzenleistung der Mischlösung und -ausrüstung sicherzustellen.
Anderer Service: KEHENG kann neue Mischlösungen und Geräte für Ihr Wiederaufbauprojekt bereitstellen.
REPARATURDIENST
KEHENG bietet die umfassendsten Analysen und Optionen zur Reparatur von Mixerantrieben mit oberem Eingang. Das Inspect & Repair-Programm bietet:
1. Erhöhte Zuverlässigkeit und Zuverlässigkeit
2. Hochwertige Reparaturen unter Einhaltung strenger Spezifikationen
3. Verlängert die Lebensdauer Ihrer Ausrüstung
Alle Teile des Mischerantriebs werden gründlich gereinigt und überprüft, um die wahre Fehlerursache zu ermitteln.Es werden detaillierte Berichte sowie abgestufte Reparaturoptionen bereitgestellt.Kunden wählen die passenden Reparaturen für ihre betrieblichen Anforderungen.Abhängig von der gewählten Reparaturoption sind Garantien verfügbar.
Zu den häufigsten Problemen, die behoben werden können, gehören:
1. Mechanische Ermüdung
2. Verärgerte Bedingungen
3. Stoßbelastung
4. Prozessänderung
5. Laufradbalance
KUNDENDIENST
1. Alle KEHENG-Kunden erhalten vor und nach dem Verkauf Unterstützung und Vorschläge.
2. Der von KEHENG bereitgestellte Service zielt darauf ab, Kunden bei der Auswahl der am besten geeigneten Produkte zu unterstützen.
3. KEHENG hilft Kunden bei der korrekten Verwendung des Produkts: PLANUNG, INSTALLATION, SCHULUNG, FEHLERBEHEBUNG, WARTUNG UND REPARATUR, RENOVIERUNG UND MODERMISIERUNG.
4. KEHENG-Angebot: Lieferung von Ersatzteilen, technische Entwicklung und neueste verfügbare Technologie, Optimierung des Kundenbestands und Ersatzteilempfehlungen.
TECHNISCHE UNTERSTÜTZUNG
KEHENG verfügt über ein umfassendes Team von Anwendungsingenieuren, die über umfangreiche Erfahrung und umfangreiches Wissen verfügen.Unser technisches Team besteht aus technischen Unterstützungsingenieuren, Produktdesign- und Entwicklungsingenieuren.Sie verfügen über das Fachwissen und die Fähigkeiten, um reaktionsschnellen und zuverlässigen Service und Beratung zu bieten.Sie werden mit Vertriebsingenieuren zusammenarbeiten, um die Kommunikation abzuschließen.Die Anwendungsingenieure können den Antriebstyp, das Antriebsverhältnis, die Anforderungen an die Motormontage, die Anforderungen an die Antriebsmontage, Sonderteile wie mechanische Dichtungen und Motoren, Rührwelle, Laufradnabe und Laufradschaufeldetails festlegen.
Bei Bedarf kann KEHENG Sie bei den folgenden Schulungen und Anweisungen unterstützen, um Ihr Personal zu qualifizieren und mit den charakteristischen Merkmalen der spezifischen KEHENG-Ausrüstung vertraut zu machen.
1. Betriebsschulung
2. Wartungsschulung
3. Prozessschulung
JiangSu KeHeng Petrochemical & Electrical Machinery Co., Ltd wurde 1989 gegründet. Es ist ein High-Tech-Unternehmen, das auf professionelle Forschung und Entwicklung, Design, Herstellung und Installation spezialisiert ist.Hauptsächlich beschäftigt Petrochemischer Heizofen, Abwärmerückgewinnungssystem, Kraftwerksentschwefelungsanlage, Abwasserbehandlungssystem, Mischer usw. Produkte werden in ganz China verkauft und nach Südostasien, Europa, Afrika, in den Nahen Osten, nach Japan, Indien, Kasachstan, in die Türkei und in viele andere Länder exportiert.
KeHeng hat Unabhängiges Forschungs- und Entwicklungszentrum perfekt Produkttest, inspizieren Ausrüstung. Mit jahrelanger ständiger Innovation, Es wurde mehr als ausgezeichnet 30 Dienstprogramm Modell Patente und 5 Erfindungspatente durch das staatliche Amt für geistiges Eigentum. Bisher, KeHeng hat Werden Sie zum Beispiel ein qualifizierter Lieferant in der Lieferkette mehrerer großer Unternehmen und Industriegruppen. PetroChina, Sinopec, CNOOC usw.
Mit Produktqualität den Markt besetzen, Kunden mit Unternehmensreputation gewinnen
Integrität – Unser Fundament;Entwicklung – Das ewige Streben nach KeHeng.
Produktqualität
Alle unsere Mischer werden in speziellen, maßgeschneiderten Anlagen nach ISO9001-Qualitätsstandards hergestellt und verwenden bei ihrer Konstruktion nur hochwertige Komponenten.
Maßgefertigtes Design
Unser professionelles technisches Team entwirft entsprechend Ihren Anforderungen den am besten geeigneten Mischer, der den maximalen Nutzen im Gebrauch erzielen kann.
PProjekt MVerwaltung
Wir beauftragen engagierte Projektmanager, um sicherzustellen, dass jeder Aspekt der Herstellung, Montage und Qualitätskontrolle so vorangetrieben wird, dass er den individuellen Kundenspezifikationen entspricht.
Kundendienst
Alle KEHENG-Kunden erhalten vor und nach dem Verkauf Unterstützung und Vorschläge.Wir helfen Kunden, das Produkt richtig zu verwenden: PLANEN、INSTALLATION、AUSBILDUNG、Fehlerbehebung、WARTUNG UND REPARATUR、RENOVIERUNG UND MODERMISIERUNG.
F: Sind Sie ein Handelsunternehmen oder Hersteller?
A: Wir sind Hersteller.Unsere Fabrik befindet sich in Jiangsu. F: Wie kann ich Rührwerke und Mischer anpassen? A: Sie können uns Anwendungsparameter zusenden oder das von uns bereitgestellte Formular ausfüllen. Dann wählen oder entwerfen wir das Produkt, das für Sie und Ihr Unternehmen am besten geeignet ist. F: Wie lang ist die Produktionsvorlaufzeit? A: Normalerweise 30 Tage.Wenn Sie sich für eine bestimmte Motormarke entscheiden müssen, kann die Lieferzeit variieren. F: Über die Produktgarantie? A: Normalerweise gewähren wir 1 Jahr Garantie auf die verkauften Produkte, können aber auch einen lebenslangen Service anbieten, wenn Sie diesen benötigen, um eine langfristige Beziehung zu Ihnen aufrechtzuerhalten.
Side-Entry-Mischer für Rauchgasentschwefelung(REA)
Der Rührer als Teil einer Rauchgasentschwefelungsanlage (REA) spielt eine entscheidende Rolle für den Gesamtbetrieb der Anlage.REA-Anlagen dienen der Entfernung von Schwefeldioxid (SO2) aus Rauchgasen, die von Kraftwerken und Industrieprozessen emittiert werden.
Das Rührwerk besteht normalerweise aus einem Motor, einem Reduzierstück, einem Lager und einer Rührwelle und einem Laufrad usw., die sich an verschiedene Rauchgasentschwefelungssysteme und Betriebsbedingungen anpassen können.
Produktdetails
| Motormarke | Optional (ABS/SEW/SIEMENS/Inland hochwertig) |
| Reduziermarke | Optional (ABS/SEW/FALK/REXNORD/Inland hochwertig) |
| Motorleistung | 0,37 ~ 110 kW |
| Durchm.von Shaft | 30~500mm |
| Länge der Welle | 200~30000mm |
| Geschwindigkeit drehen | 0,2 ~ 600 U/min |
| Laufrad | Effizientes traditionelles Laufrad |
| Material | Kohlenstoffstahl, Nickelbasislegierung, Duplex- und Superduplex-Stähle, Titan und Titanlegierungen, Gummibeschichtungen, PO, PE, PP, PTFE |
Anwendung:
Rührwerke werden häufig bei der Rauchgasentschwefelung eingesetzt.Zum Beispiel,
1. Bei der nassen Rauchgasentschwefelung können Rührwerke dabei helfen, Entschwefelungsmittel und Rauchgas zu vermischen und so die Effizienz der Entschwefelung zu verbessern.
2. Bei der trockenen Rauchgasentschwefelung können Rührwerke dabei helfen, Entschwefelungsmittel zu mischen und zu dispergieren und so die Entschwefelungseffizienz zu verbessern.
3. Es kann Ingenieuren und Technikern dabei helfen, den Entschwefelungsprozess zu optimieren und zu automatisieren sowie die Effizienz und Ausbeute der Entschwefelung zu verbessern.
4. Es kann die Menge an Entschwefelungsmittel reduzieren, die Kosten der Entschwefelung senken und einen Beitrag zum Umweltschutz leisten.
Klicken Sie hier, um eine Anfrage zu senden!
Mischer können nach Ihren Wünschen angepasst werden!
Keheng-Rührwerke verwenden Vollständige Holzkistenverpackung, nach Messen, Wiegen, Verstärkungsschritte in der Fabrik, qualifiziert in das spezifische Hafenlager zur Inspektion, Schicht für Schicht.
Die Liefermethoden von Keheng im Ausland sind in der Regel CIF, CFR oder FOB, was die Lieferung der Waren innerhalb eines Monats bis eineinhalb Monaten nach Erhalt der Vorauszahlung durch den Kunden gewährleistet.
Außendienst
KEHENG verfügt über fast 30 Jahre Erfahrung.Unser Unternehmen kann Felddiagnosen und Reparaturen durchführen.Das technische Team stellt verschiedene Wartungsoptionen vor Ort zur Verfügung, um Sie bei Ihren Mischvorgängen zu unterstützen.
Installation: Nach Kundenvorgabe
Beratung und Reparatur vor Ort: KEHENG bietet Reparaturdiagnosedienste vor Ort an.Wenn das Problem nicht vor Ort gelöst werden kann, kann das Gerät an unsere Inspektions- und Reparaturabteilung zurückgeschickt werden.
Vorbeugende Wartung: Alle Maschinen müssen eine strenge Prüfung bestehen, bevor sie ausgemustert werden.KEHENG bietet Diagnose- und Benchmark-Tests an, um die Spitzenleistung der Mischlösung und -ausrüstung sicherzustellen.
Anderer Service: KEHENG kann neue Mischlösungen und Geräte für Ihr Wiederaufbauprojekt bereitstellen.
REPARATURDIENST
KEHENG bietet die umfassendsten Analysen und Optionen zur Reparatur von Mixerantrieben mit oberem Eingang. Das Inspect & Repair-Programm bietet:
1. Erhöhte Zuverlässigkeit und Zuverlässigkeit
2. Hochwertige Reparaturen unter Einhaltung strenger Spezifikationen
3. Verlängert die Lebensdauer Ihrer Ausrüstung
Alle Teile des Mischerantriebs werden gründlich gereinigt und überprüft, um die wahre Fehlerursache zu ermitteln.Es werden detaillierte Berichte sowie abgestufte Reparaturoptionen bereitgestellt.Kunden wählen die passenden Reparaturen für ihre betrieblichen Anforderungen.Abhängig von der gewählten Reparaturoption sind Garantien verfügbar.
Zu den häufigsten Problemen, die behoben werden können, gehören:
1. Mechanische Ermüdung
2. Verärgerte Bedingungen
3. Stoßbelastung
4. Prozessänderung
5. Laufradbalance
KUNDENDIENST
1. Alle KEHENG-Kunden erhalten vor und nach dem Verkauf Unterstützung und Vorschläge.
2. Der von KEHENG bereitgestellte Service zielt darauf ab, Kunden bei der Auswahl der am besten geeigneten Produkte zu unterstützen.
3. KEHENG hilft Kunden bei der korrekten Verwendung des Produkts: PLANUNG, INSTALLATION, SCHULUNG, FEHLERBEHEBUNG, WARTUNG UND REPARATUR, RENOVIERUNG UND MODERMISIERUNG.
4. KEHENG-Angebot: Lieferung von Ersatzteilen, technische Entwicklung und neueste verfügbare Technologie, Optimierung des Kundenbestands und Ersatzteilempfehlungen.
TECHNISCHE UNTERSTÜTZUNG
KEHENG verfügt über ein umfassendes Team von Anwendungsingenieuren, die über umfangreiche Erfahrung und umfangreiches Wissen verfügen.Unser technisches Team besteht aus technischen Unterstützungsingenieuren, Produktdesign- und Entwicklungsingenieuren.Sie verfügen über das Fachwissen und die Fähigkeiten, um reaktionsschnellen und zuverlässigen Service und Beratung zu bieten.Sie werden mit Vertriebsingenieuren zusammenarbeiten, um die Kommunikation abzuschließen.Die Anwendungsingenieure können den Antriebstyp, das Antriebsverhältnis, die Anforderungen an die Motormontage, die Anforderungen an die Antriebsmontage, Sonderteile wie mechanische Dichtungen und Motoren, Rührwelle, Laufradnabe und Laufradschaufeldetails festlegen.
Bei Bedarf kann KEHENG Sie bei den folgenden Schulungen und Anweisungen unterstützen, um Ihr Personal zu qualifizieren und mit den charakteristischen Merkmalen der spezifischen KEHENG-Ausrüstung vertraut zu machen.
1. Betriebsschulung
2. Wartungsschulung
3. Prozessschulung
JiangSu KeHeng Petrochemical & Electrical Machinery Co., Ltd wurde 1989 gegründet. Es ist ein High-Tech-Unternehmen, das auf professionelle Forschung und Entwicklung, Design, Herstellung und Installation spezialisiert ist.Hauptsächlich beschäftigt Petrochemischer Heizofen, Abwärmerückgewinnungssystem, Kraftwerksentschwefelungsanlage, Abwasserbehandlungssystem, Mischer usw. Produkte werden in ganz China verkauft und nach Südostasien, Europa, Afrika, in den Nahen Osten, nach Japan, Indien, Kasachstan, in die Türkei und in viele andere Länder exportiert.
KeHeng hat Unabhängiges Forschungs- und Entwicklungszentrum perfekt Produkttest, inspizieren Ausrüstung. Mit jahrelanger ständiger Innovation, Es wurde mehr als ausgezeichnet 30 Dienstprogramm Modell Patente und 5 Erfindungspatente durch das staatliche Amt für geistiges Eigentum. Bisher, KeHeng hat Werden Sie zum Beispiel ein qualifizierter Lieferant in der Lieferkette mehrerer großer Unternehmen und Industriegruppen. PetroChina, Sinopec, CNOOC usw.
Mit Produktqualität den Markt besetzen, Kunden mit Unternehmensreputation gewinnen
Integrität – Unser Fundament;Entwicklung – Das ewige Streben nach KeHeng.
Produktqualität
Alle unsere Mischer werden in speziellen, maßgeschneiderten Anlagen nach ISO9001-Qualitätsstandards hergestellt und verwenden bei ihrer Konstruktion nur hochwertige Komponenten.
Maßgefertigtes Design
Unser professionelles technisches Team entwirft entsprechend Ihren Anforderungen den am besten geeigneten Mischer, der den maximalen Nutzen im Gebrauch erzielen kann.
PProjekt MVerwaltung
Wir beauftragen engagierte Projektmanager, um sicherzustellen, dass jeder Aspekt der Herstellung, Montage und Qualitätskontrolle so vorangetrieben wird, dass er den individuellen Kundenspezifikationen entspricht.
Kundendienst
Alle KEHENG-Kunden erhalten vor und nach dem Verkauf Unterstützung und Vorschläge.Wir helfen Kunden, das Produkt richtig zu verwenden: PLANEN、INSTALLATION、AUSBILDUNG、Fehlerbehebung、WARTUNG UND REPARATUR、RENOVIERUNG UND MODERMISIERUNG.
F: Sind Sie ein Handelsunternehmen oder Hersteller?
A: Wir sind Hersteller.Unsere Fabrik befindet sich in Jiangsu. F: Wie kann ich Rührwerke und Mischer anpassen? A: Sie können uns Anwendungsparameter zusenden oder das von uns bereitgestellte Formular ausfüllen. Dann wählen oder entwerfen wir das Produkt, das für Sie und Ihr Unternehmen am besten geeignet ist. F: Wie lang ist die Produktionsvorlaufzeit? A: Normalerweise 30 Tage.Wenn Sie sich für eine bestimmte Motormarke entscheiden müssen, kann die Lieferzeit variieren. F: Über die Produktgarantie? A: Normalerweise gewähren wir 1 Jahr Garantie auf die verkauften Produkte, können aber auch einen lebenslangen Service anbieten, wenn Sie diesen benötigen, um eine langfristige Beziehung zu Ihnen aufrechtzuerhalten.